Schaltungen gegen Verpolung und Überspannung





Hier die gebräuchlichsten Schaltungen gegen Falschpolung der Betriebsspannung und gegen Überspannung. Die Tatsache, daß es sich in den meisten Fällen um recht teure oder einmalige Schaltungen handelt, die es zu schützen gilt, macht den Sinn dieser Schaltungen eigentlich recht deutlich. Und so ziemlich jede dieser Schaltungen hat ihre Vor- und Nachteile:

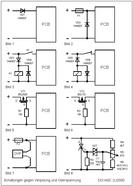
Bild 1
Das ist eine der üblichen KISS-(Keep It Simple Stupid)-Schaltungen. Die Diode VD1 leitet im Betriebsfall. Der größte Nachteil: man zahlt mit Spannung. An der Diode fällt je nach Strom eine Spannung von bis zu 0,7V ab, d.h. die Betriebsspannung muß um diesen Betrag über der von der Schaltung benötigten Spannung liegen. Eine 9V-Blockbatterie ist um diesen Betrag eher an ihrer Grenze als es eigentlich nötig wäre. Dieser Betrag läßt sich senken, wenn man statt der 1N4007 eine Schottky-Diode benutzt, über die nur maximal 0,4V verlorengehen, bei Germanium-Dioden sind es nur rund 0,3V. Solche Schottky-Dioden lassen sich einfach aus alten Schaltnetzteilen gewinnen. In einem TOP3-Gehäuse sind zwei solcher Dioden mit gemeinsamer Kathode vereinigt (ausgebaute Teile immer nachmessen, vielleicht waren sie die Ursache für den Ausfall! Diese Dioden sind übrigens auch für andere Stromversorgungsschaltungen sehr gut zu gebrauchen.) Fällt die Schutzdiode aus, läßt sich das Gerät im besten Fall nicht mehr einschalten, hat sie einen Schluß, dann schützt sie die Schaltung nicht mehr. Die Diode muß für den Betriebsstrom ausreichend sein, bei kleinen Schaltungen mit geringem Stromverbrauch tut es auch eine 1N4148 o.ä..

Bild 2
Diese Schaltung ist schon ein bischen cleverer. Eine Spannung fällt im Betriebsfall an der Diode VD2 nicht mehr ab. Dafür kommt ein zweites Bauteil ins Spiel. Die Sicherung F1 schützt zusätzlich vor Überstrom und wird bei verpolter Spannung durch den Kurzschlußstrom über die Diode weggeblasen. Nachteil: das dauert eine gewisse Zeit, je nachdem, was das Netzteil an Strom hergibt. Diese kurze Zeitspanne kann schon zuviel für die Schaltung sein. Außerdem muß immer eine Ersatzsicherung griffbereit sein. Nicht sehr erfreulich, wenn man gerade portabel unterwegs ist. Tip: Profis spendieren dem Gerät einen zweiten unbeschalteten Sicherungshalter, in dem sich eine passende Ersatzsicherung befindet. Die Diode muß für den Kurzschlußstrom bemessen sein, denn die wollen wir ja nicht auch noch wechseln. Übrigens funktioniert die Schaltung auch ohne Sicherung. Fragt sich dann aber nur, wer länger durchhält: die Batterie bzw. das Netzteil oder die Diode;-)

Bild 3
Diese Schaltung ist schon etwas aufwendiger und verbraucht im Betrieb zusätzlich Strom, was für batteriebetriebene Geräte meist nicht so sehr geeignet ist. Großer Vorteil: sie ist eine der sichersten und wenn ein Bauteil dieser Schaltung ausfällt, läßt sich das Gerät im schlimmsten Fall einfach nicht mehr einschalten. Die Funktion ist simpel: der Relaiskontakt k1 schließt erst, wenn die Betriebsspannung in der richtigen Polarität anliegt und das Relais K1 durch VD3 Spannung erhält. VD4 ist ein sog. Transientenschutz, der die Schaltung vor Spannungsspitzen schützt, die beim Abschalten des Relais zwangsläufig entstehen. Im Fehlerfall muß kein einziges Teil ersetzt werden. Für diese Schaltung eignet sich übrigens hervorragend ein Relais in der sogenannten C-Schaltung (s. auch: Relais).

Bild 4
Diese Schaltung hat einen Vorteil gegenüber Bild 3: sie verbraucht im Betriebsfall keinen Strom und ist deshalb für batteriebetriebene Geräte besser geeignet. Nachteile hat sie aber auch. Man braucht ein Relais mit einem Öffner und auch hier dauert es wie in Bild 2 einen Sekundenbruchteil, bis im Fehlerfall der Relaiskontakt k2 die verpolte Stromzufuhr zur Schaltung unterbricht.

Bild 5
Kommen wir nun zu einer etwas außergewöhnlicheren Schaltung. Der positive Pol zur Schaltung wird unterbrochen und ein P-Kanal-MOSFET eingefügt mit seinem Drain-Anschluß Richtung Stromversorgung, seinem Source-Anschluß Richtung Schaltungspluspol und das Gate ist über einen Widerstand von 1M an die Schaltungsmasse angeschlossen. "Moment!" werden jetzt einige sagen, die Source sollte positiver sein als das Drain, damit das richtig funktioniert! JA und NEIN: wenn wir den MOSFET "in der richtigen Richtung" anschließen, wird das ganze bei der richtigen Polarität der Betriebsspannung auch funktionieren. ABER: jeder MOSFET hat eine sozusagen "eingebaute" Diode, deren Anode mit dem Drain und deren Kathode mit der Source verbunden ist. Bei umgepolter Spannung leitet diese Diode wie von selbst (was sie ja eigentlich auch soll) und die Schaltung wird nicht geschützt! Nun ist es so, daß bei einem Spannungsabfall über dieser Diode von ca. 0,7V die Drain/Source-Strecke sich wie ein spannungsgesteuerter Widerstand verhält. Wenn wir dafür sorgen, daß der MOSFET nur gut genug durchgesteuert wird. Das geschieht durch den 1M-Widerstand am Gate. Dadurch ist das Gate im Normalfall auf jeden Fall negativer als der Source- oder Drainanschluß. In diesem Fall gibt es über die Source/Drain-Strecke einen geringeren Spannungsabfall als über die Diode und die S/D-Strecke leitet nahezu den gesamten Strom. Bei einem Betriebsstrom von 50mA fällt über die S/D-Strecke eine Spannung von nicht mehr als ca. 1mV ab. Im Fehlerfall ist das Gate positiv und sperrt das MOSFET, die Diode sperrt auch komplett. Was wollen wir mehr!

Bild 6
Diese Schaltung ist ähnlich der in Bild 5 und geeignet für Geräte, die z.B. mit Germanium-Transistoren arbeiten. Wo gibts denn sowas? Viele ältere Boden-Effektgeräte für Gitarre und Bass arbeiten noch immer erfolgreich mit Germaniumtransistoren wegen des ganz speziellen röhrenähnlichen Klanges. Dafür ist diese Schaltung hervorragend geeignet. Und NEIN, Minus bedeutet nicht in jedem Fall Masse. Das ist nur eine schlechte Angewohnheit unserer modernen Siliziumwelt. Es erfordert nur ein bischen Umdenken. Meist wird es aber in den heutigen Lehrbüchern garnicht erwähnt, daß MINUS NICHT immer auch GLEICHZEITIG MASSE bedeutet. Es wird nur stillschweigend davon ausgegangen, weil es heutzutage in den allermeisten Fällen eben einfach so ist!
Diese beiden Schaltungen stammen übrigens von www.geofex.com/Article_Folders/mosswitch/mosswitch.htm. Vielen Dank für diese Idee!

Bild 7/8
Nun zum Überspannungsschutz, auch Over-Voltage-Protection (OVP) genannt. Im Bild ist eine sogenannte "Crowbar"-Schaltung dargestellt. Crowbar heißt Brecheisen und ähnlich brachial geht die Schaltung auch vor, daher der Name. Bei einer (einstellbaren) Überspannung schließt sie den Nebenzweig einfach kurz und bringt so die Sicherung zum Auslösen. Diese Schaltung sollte man für alle Geräte verwenden, bei denen man nicht hundertprozentig sicherstellen kann, daß die angelegte Spannung nicht zu hoch für die Schaltung werden kann. Das geschieht beispielsweise bei Geräten, die aus Lichtmaschinen oder gepufferten Akkumulatoren versorgt werden. Der Aufwand ist gering, der Nutzen im Fehlerfall immens.
Die Schaltung in Bild 8 stammt übrigens von www.aeroelectric.com und erklärt sich fast von selbst. Der Thyristor zündet, sobald die am Poti R5 eingestellte Schwelle den Diac VD7 durchsteuert. C1 sorgt dafür, daß nur kurze Störspitzen die Schaltung nicht zum Ansprechen bringen. Der Wert von R6 muß der Betriebsspannung angepaßt werden, hier dimensioniert für ein 12V- und ein 24V-Bordnetz.

Noch ein TIP: Für die meisten Schaltungen ist auch die 1N4148 geeignet. Ich kaufe die 1N4007 aber preiswert im Hunderterpack (2 Pfennig pro Stück) und vergesse die 1N4148 einfach. Das erspart die Sucherei nach der passenden Diode. Denn die 1N4007 läßt sich in so ziemlich jeder Schaltung einsetzen, egal ob es darum geht, Netzspannung, Niederspannung oder sonstwas gleichzurichten oder Logikschaltungen damit zu realisieren. Außerdem ist das Gehäuse nicht aus Glas wie bei der 1N4148, das manchmal etwas empfindlich auf mechanische Beanspruchungen reagiert.

mail
   
last update: 19.04.2001 home  back  top